Вопросы конструирования РА на ГУ46 и др.
Сообщений 691 страница 712 из 712
Поделиться6922023-02-03 15:40:36
В каком усилителе по мощности, может быть применен такой вот галетный переключатель?
Переключатель хороший, изоляция конечно не для ВЧ. Это пойдет хорошо для электроцепей. А для ВЧ это может выдержать ну до 400-500 Вт. Можно и мощнее, но риск увеличится.
- Подпись автора
73!
Александр, VE3KF, TO3T ex VA3QP, VE3XAX, VA3TTT.
Мой Ютуб канал: канал: https://www.youtube.com/channel/UCGdvys … 0yA/videos На продажу имеются 2 мои книги - по антеннам и по УМ.
Поделиться6932023-02-03 15:51:32
А для ВЧ это может выдержать ну до 400-500 Вт. Можно и мощнее, но риск увеличится.
Спасибо Александр 
- Подпись автора
Бог нам дал CW, ленивые придумали SSB, а черти - FT8
Поделиться6942026-03-02 11:37:16
В последние годы я следил за несколькими форумами, чтобы документировать свои проекты.
На этом форуме я нашел ответы на многие свои вопросы и одновременно многому научился, поэтому и решил собрать свой собственный усилитель.
11 лет назад я приобрел компоненты для усилителя на лампе GU81M............который не был завершен.
Несколько недель я ежедневно читал этот форум и решил собрать усилитель на двух лампах GU46.
Меня убедил Аlex (VE3KF), а также усилитель Евгений(RN7T).
Я хочу воспроизвести ту же схему, но хочу построить ПИ-фильтр с вариометром. Я хочу заменить переменный конденсатор в аноде на конденсаторы фиксированного номинала через вакуумные реле.
Стабилизаторы в G1 и G2 будут такими же, как в RN7T.
Трансформатор на 3 кВ построен на торе для тока 1 А (изначально он был рассчитан на 1 лампу GU81M).
Вопросов много, но я хочу начать с концепции, чтобы понять, в каком направлении двигаться!
В первую очередь, я хотел бы узнать, стоит ли реализовывать идею с вариометром… Я убежден, что это будет непросто!
Спасибо, и я с нетерпением жду ваших мнений!
73, Christian
Фотография компонентов прилагается.
Отредактировано yo3wl (2026-03-02 11:51:22)
Поделиться6952026-03-02 13:07:12
решил собрать усилитель на двух лампах GU46.
Хорошая идея. УМ реально может отдать 2-2,2 кВт, но требует тщательного расчета режима ламп, входных и выходных контуров.
Что я могу сказать?
Трансформатор на 3 кВ построен на торе для тока 1 А
Трансформатор будет работать на пределе с двумя лампами. Какую просадку имеет выпрямитель под 1 А/3кВ?
В первую очередь, я хотел бы узнать, стоит ли реализовывать идею с вариометром
У Евгения применен не вариометр, а PL выходная цепь для более высокой фильтрации гармоник.
В первую очередь, я хотел бы узнать, стоит ли реализовывать идею с вариометром
Это менее удобно т.к. на каждый диапазон придется устанавливать индуктивность вариометра и переключать его катушки. Лично я предпочитаю обычные катушки.
- Подпись автора
73!
Александр, VE3KF, TO3T ex VA3QP, VE3XAX, VA3TTT.
Мой Ютуб канал: канал: https://www.youtube.com/channel/UCGdvys … 0yA/videos На продажу имеются 2 мои книги - по антеннам и по УМ.
Поделиться6962026-03-02 13:30:46
У Евгения применен не вариометр, а PL выходная цепь для более высокой фильтрации гармоник.
Спасибо, Александр! Мне нужен фильтр в конфигурации «P» (без L)… или при мощности 2 кВт мне нужен фильтр «PL»?
Трансформатор будет работать на пределе с двумя лампами. Какую просадку имеет выпрямитель под 1 А/3кВ?
Трансформатор изготовлен по этой модели (он на тороидальной подложке). Я не знаю, какое напряжение на нагрузке... какой вариант мне следует проверить на нагрузке?
Поделиться6972026-03-02 14:05:32
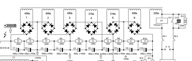
У меня также есть трансформатор мощностью 2300 ВА. На вторичной обмотке он выдает напряжение 2000 В, 2500 В и 2800 В.
Поделиться6982026-03-02 14:08:23
Спасибо, Александр! Мне нужен фильтр в конфигурации «P» (без L)… или при мощности 2 кВт мне нужен фильтр «PL»?
Желателен, хотя и не обязательно. Принято, что примерно с мощности от 2 кВт и выше, применяется PL конфигурация. Так сделано во всех мощных фирменных усилителях.
Трансформатор изготовлен по этой модели (он на тороидальной подложке). Я не знаю, какое напряжение на нагрузке... какой вариант мне следует проверить на нагрузке?
Трансформатор силовой, сложение напряжений нескольких вторичных обмоток. Не знаю, каким проводом намотаны все вторичные обмотки. Чтобы проверить нагрузочную способность выпрямителя, нужно нагрузить блок питания на нагрузку примерно 3 кВт, именно примерно столько будет потребление из питающей сети 220 В, примерно 15 А/220 В и посмотреть, насколько просядет начальное напряжение блока питания.
Судя по схеме БП, могу сразу сказать, что напряжения обмоток рассчитаны неправильно. На выходе будет без нагрузки только максимум 3 кВ. Под нагрузкой это упадет до 2700 В в самом лучшем случае, а то и 2600-2550 В.
Нагрузите блок питания нагрузкой 3 кВт, например 14 последовательных ламп 220 В/100 Вт каждая. А параллельно еще такую же цепочку ламп. Получится нагрузка примерно 2800 Вт на напряжение 3000 В.
- Подпись автора
73!
Александр, VE3KF, TO3T ex VA3QP, VE3XAX, VA3TTT.
Мой Ютуб канал: канал: https://www.youtube.com/channel/UCGdvys … 0yA/videos На продажу имеются 2 мои книги - по антеннам и по УМ.
Поделиться6992026-03-02 14:14:02
У меня также есть трансформатор мощностью 2300 ВА.
Несколько слабоват трансформатор. Надо 3000 ВА минимум.
- Подпись автора
73!
Александр, VE3KF, TO3T ex VA3QP, VE3XAX, VA3TTT.
Мой Ютуб канал: канал: https://www.youtube.com/channel/UCGdvys … 0yA/videos На продажу имеются 2 мои книги - по антеннам и по УМ.
Поделиться7002026-03-02 14:16:20
Вот 2500 В переменного на вторичке будет хорошо для выпрямителя. На выходе будет примерно 3300 В, с учетом просадка 300-350 В в лучшем случае останется лампам 3000 В.
- Подпись автора
73!
Александр, VE3KF, TO3T ex VA3QP, VE3XAX, VA3TTT.
Мой Ютуб канал: канал: https://www.youtube.com/channel/UCGdvys … 0yA/videos На продажу имеются 2 мои книги - по антеннам и по УМ.
Поделиться7012026-03-02 14:18:26
Желателен, хотя и не обязательно. Принято, что примерно с мощности от 2 кВт и выше, применяется PL конфигурация. Так сделано во всех мощных фирменных усилителях.
Хорошо. Теперь я всё прекрасно понимаю! Именно поэтому я с самого начала хотел узнать принцип работы усилителя. В данном случае я буду использовать схему «PL».
Я больше не использую вариометр.
Что касается блока питания, я хочу купить трансформатор вот такого типа:
https://shop.om-power.com/category-tran … roduct-253
Отредактировано yo3wl (2026-03-02 14:20:18)
Поделиться7022026-03-02 14:31:47
Что касается блока питания, я хочу купить трансформатор вот такого типа:
Ну этот трансформатор условно пойдет для не слишком напряженного режима, для режима работы cw или SSB, но для таких режимов как RTTY он слабоват, он будет перегреваться. Подводимая мощность из сети считается очень просто: Р = Р вч/КПД = 2000/0,65% = 3075 Вт. Причем это я взял КПД=65% для ближе телеграфного режима. Для телефонного КПД будет конечно ниже, примерно 0,55-0,6.
Сечение тор трасформатора нужно примерно 121 - 122 см2. Вот такой трасформатор будет надежно работать.
- Подпись автора
73!
Александр, VE3KF, TO3T ex VA3QP, VE3XAX, VA3TTT.
Мой Ютуб канал: канал: https://www.youtube.com/channel/UCGdvys … 0yA/videos На продажу имеются 2 мои книги - по антеннам и по УМ.
Поделиться7032026-03-02 15:02:10
Сечение тор трасформатора нужно примерно 121 - 122 см2. Вот такой трасформатор будет надежно работать.
В этом случае я рассмотрю возможность заказа отдельного трансформатора.
Если я использую переменный конденсатор на анодной стороне, то получу конденсатор с минимальной емкостью 10 пФ (10-174 пФ).
Отредактировано yo3wl (2026-03-02 15:04:57)
Поделиться7042026-03-02 15:19:05
В этом случае я рассмотрю возможность заказа отдельного трансформатора.
Вот это верное решение, так будет надежнее. С вторичной на 2450-2500 В переменного и проводом 0,9-0,95 мм.
Или я могу рассчитать удвоитель напряжения для такого УМ.
Если я использую переменный конденсатор на анодной стороне, то получу конденсатор с минимальной емкостью 10 пФ (10-174 пФ).
Обычно, я рассчитываю под минимальную емкость КПЕ 10 пФ.
- Подпись автора
73!
Александр, VE3KF, TO3T ex VA3QP, VE3XAX, VA3TTT.
Мой Ютуб канал: канал: https://www.youtube.com/channel/UCGdvys … 0yA/videos На продажу имеются 2 мои книги - по антеннам и по УМ.
Поделиться7052026-03-02 15:24:50
Нужен тор трансформатор с сечением примерно 75 см2 Это габаритная примерно 3200 Вт.
- Подпись автора
73!
Александр, VE3KF, TO3T ex VA3QP, VE3XAX, VA3TTT.
Мой Ютуб канал: канал: https://www.youtube.com/channel/UCGdvys … 0yA/videos На продажу имеются 2 мои книги - по антеннам и по УМ.
Поделиться7062026-03-02 15:27:35
Sau pot calcula un dublor de tensiune pentru un astfel de UM.
Если вы считаете, что удвоитель напряжения может регулировать анодный ток, не могли бы вы, пожалуйста, произвести расчеты для трансформатора?
Что вы скажете насчет конденсаторов (у меня их 20 штук).
Могу ли я использовать их для фильтрации?
Отредактировано yo3wl (2026-03-02 15:32:18)
Поделиться7072026-03-02 15:39:28
Напишите мне в ЛС (личные сообщения)
- Подпись автора
73!
Александр, VE3KF, TO3T ex VA3QP, VE3XAX, VA3TTT.
Мой Ютуб канал: канал: https://www.youtube.com/channel/UCGdvys … 0yA/videos На продажу имеются 2 мои книги - по антеннам и по УМ.
Поделиться7082026-03-02 17:09:44
В каком усилителе по мощности, может быть применен такой вот галетный переключатель?
Такой переключатель использовал один ныне ушедший радиолюбитель. РА был на ГУ-34Б с анодным за...все рамки приличия. И работал чел не выше 7мгц.
Потом РА попал в другие руки и переключатель испустил волшебный дым уже на 21 или 24.
Поделиться7092026-03-02 17:17:39
Именно так, гетинакс как изолятор, на ВЧ никак не годится. до 7 Мс и то хорошо еще.
- Подпись автора
73!
Александр, VE3KF, TO3T ex VA3QP, VE3XAX, VA3TTT.
Мой Ютуб канал: канал: https://www.youtube.com/channel/UCGdvys … 0yA/videos На продажу имеются 2 мои книги - по антеннам и по УМ.
Поделиться7102026-03-03 10:06:51
Нагрузите блок питания нагрузкой 3 кВт, например 14 последовательных ламп 220 В/100 Вт каждая. А параллельно еще такую же цепочку ламп. Получится нагрузка примерно 2800 Вт на напряжение 3000 В.
Здравствуйте.
Я бы всё таки провёл лабораторную работу с трансформатором. Как сказал Александр Иванович выше по тексту, цепочку ламп и посмотреть сколько вольт под нагрузкой. Можно выдержать 1 час и посмотреть на нагрев трансформатора.
- Подпись автора
RN7T ex UA6GV, RA6FOA
Поделиться7112026-03-03 10:34:36
И в качестве ёмкости К75 я бы их не использовал.
Они очень много места занимают. У Вас 6 диодных мостов, лучше применить электролиты .
Изначально я тоже поставил ёмкость 100мкфх3000в , но она иногда по трескивала . И я применил электролиты.
На фото видно.
Отредактировано Евгений (2026-03-03 10:36:33)
- Подпись автора
RN7T ex UA6GV, RA6FOA
Поделиться7122026-03-05 11:50:29
Тут будет работать удвоитель напряжения на 3 кВ под нагрузкой. На х.х. будет примерно 3400-3500 В, поэтому тут лучше конечно электролиты 680х400 В, 12 шт последовательно. Общая емкость фильтра получится 65 мкФ, что очень хорошо, для удвоителя.
- Подпись автора
73!
Александр, VE3KF, TO3T ex VA3QP, VE3XAX, VA3TTT.
Мой Ютуб канал: канал: https://www.youtube.com/channel/UCGdvys … 0yA/videos На продажу имеются 2 мои книги - по антеннам и по УМ.

